NWA | New Wood Approach
Bewertung und Aufbereitung von Altholz zur Rückführung in den Kreislauf
Das heutige Bauwesen basiert noch auf Technologien, die maßgeblich in der 1. Hälfte des 20. Jahrhunderts entwickelt wurden und vor allem auf Beton und Stahl basieren. Dies macht das Bauwesen zum weltweit ressourcenintensivsten Wirtschaftszweig. Allein in Deutschland werden jährlich zirka 500 Millionen Tonnen mineralischer Rohstoffe im gesamten Bauwesen verbraucht, was etwa 90 % der gesamten in Deutschland abgebauten mineralischen Rohstoffe entspricht [Destatis (2017)]. Bau- und Abbruchunfälle verursachen zudem circa 50 - 60 % des deutschen Abfallaufkommens [Destatis (2019)]. Dieser immense Materialverbrauch erfordert ein Umdenken zugunsten einer verstärkten Nutzung von Holz als konstruktiven Baustoff (inklusive der Entwicklung von Basiskonzepten für kreislauffähige Holzbauweisen).
Vor diesem Hintergrund versteht sich New Wood Approach als Sondierungsprojekt. Ziel ist die Analyse von Konzepten digitaler Wertschöpfung, deren Verbreitung bzw. Use Cases, Treibern und Hemmnissen sowie die Erarbeitung geeigneter Konzepte im Hinblick auf die besonderen Gegebenheiten des traditionsgeprägten Holzbaus. Die Ergebnisse des Projekts sollen eine Wissensbasis liefern, die dazu beitragen kann, die ökonomische Konkurrenzfähigkeit des Holzbaus gegenüber mineralischen Bauweisen langfristig zu stärken.
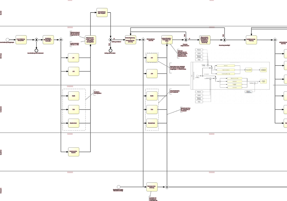
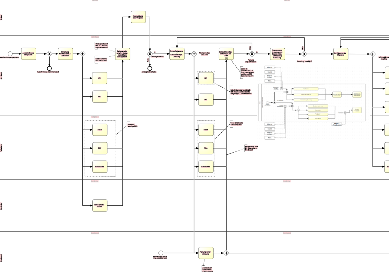
Die Grundidee von NWA basiert auf der Erkenntnis, dass Wertschöpfung zunehmend und branchenübergreifend durch solche Geschäftsmodelle dominiert wird, die auf den Prinzipien der Digitalisierung und der Nutzbarmachung von Daten beruhen. Davon getrieben, folgt NWA zwei Leitthesen:
- (1) Die strategische Adaption grundlegender Muster und Mechanismen von digitalen Wertschöpfungskonzepten – etwa Plattformen, Datenräumen und entsprechende digitale Ökosysteme – ist der Schlüssel, die materielle, zeitliche und personelle Ressourceneffizienz im Holzbau so zu steigern, dass dieser auch unter den heutigen wirtschaftlichen Randbedingungen ökonomisch konkurrenzfähig zu mineralischen Bauweisen ist.
- (2) Digitale Wertschöpfungskonzepte beinhalten das Potenzial, neue Maßstäbe in der bilateralen, kooperativen Zusammenarbeit im gesamten Bauprozess zu setzen.
In enger Zusammenarbeit mit dem Forschungspartner Fraunhofer-Institut für System- und Innovationsforschung wird das Forschungsprojekt aus den Perspektiven Organisation- und Prozessmodelle (HTWK) als auch Geschäftsmodelle (ISI) betrachtet. Der Fokus liegt dabei auch einem regelmäßigen Austausch mit ausgewählten Wirtschaftspartnern entlang der gesamten Wertschöpfungskette, um somit eine Praxisrelevanz der entwickelten Konzepte zu gewährleisten.
Das Verbundprojekt startete am 15.04.2024 und für 18 Monate von der Fachagentur für Nachwachsende Rohstoffe e.V. FNR gefördert. Die Projektkoordination liegt bei der HTWK.
Keywords: Holzbau, Digitalisierung, Prozessmodell, Geschäftsmodell, Nachhaltigkeit, Vernetzung
Gefördert durch





